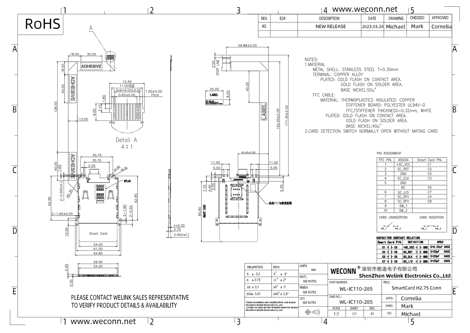
Our company launched a cable smart card connector (P/N: WL-IC110-285), which is compatible with the Dell laptop 5511/5501/5500/5410/5410/5400/3541/3540, alternative accessories model: G9X28/0G9X28/7TY79/07TY79.
Our company is a manufacturer of Smart Card Connector, and can accept customized various smart card connectors. If you need it, please contact us.


Name: Cornelia
Tel: 13728802600
QQ: 1455613616
Mail: cornelia@weconn.net
Add: No. 100 Building, Mashantou Community, Matian Street, Guangming District, Shenzhen