Product Recommendation WL-SIM770-005
——Stable and Reliable Industrial-Grade Connectivity Solutions
As the core networking interface for consumer electronics, automotive equipment, industrial IoT and other fields, SIM card connectors play a critical role in the networking experience and long‑term reliability of end devices.
To resolve the pain points of traditional 2FF SIM card connectors, such as supply chain fluctuations, insufficient environmental adaptability and high replacement costs, we are proud to introduce our new WL‑SIM770‑005 2FF SIM card connector, which is a full drop‑in replacement for Molex SD47553101.With precise specification matching, reliable performance and flexible replacement advantages, it is the preferred solution for device upgrading and component selection.

I. Core Positioning: Industry-Standard 2FF Connectivity Solution
As a classic SIM card form factor, 2FF (Mini SIM) is still the mainstream choice for feature phones, automotive terminals, industrial gateways, IoT data acquisition devices and other products due to its mature compatibility and wide applicability.WL‑SIM770‑005 enables seamless adaptation to existing designs without modifying the device structure, truly realizing "universal connectivity". It is ideal for both the upgrade and replacement of legacy equipment, greatly shortening R&D adaptation cycles and reducing modification costs.II. Robust Performance: Meets Industry Benchmarks, Reliable in Complex Environments
1. Precise Matching & Seamless Replacement
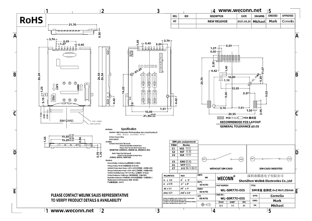
WL-SIM770-005 is precisely aligned with mainstream 2FF SIM connectors in structure, specifications and performance. It is fully compatible with industry-standard mounting dimensions and pin definitions, enabling true plug-and-play replacement.
To address pain points such as unstable supply chains and long lead times for key parts, it offers a more reliable delivery schedule and competitive pricing, effectively solving the challenges of supply shortages and high costs associated with traditional models.
2. Extreme Durability & Long-Term Stability
Insertion/withdrawal life ≥ 5000 cycles, far exceeding consumer-grade standards, meeting the demands of frequent card use and significantly reducing interface wear and maintenance costs.
Excellent wear resistance and corrosion resistance ensure stable electrical connections even in long-term use under humid and dusty environments, preventing network disconnection and data loss caused by poor contact.
Built-in precision spring self-locking mechanism provides smooth insertion/extraction and consistent locking force.
The SIM card remains securely fastened and resists mild vibration during operation, ensuring connection reliability.
3. Wide Temperature Range & Full-Scenario Compatibility
Operating temperature range: -40°C to 85°C.It operates stably under harsh conditions including high-temperature automotive environments, extreme low-temperature industrial sites and outdoor applications. Its compatibility covers three core fields: consumer electronics, automotive and industrial applications.
III. Core Advantages: Addressing Industry Pain Points & Reducing Total Cost of Ownership
Controllable lead time and stable inventory eliminate the risk of core component supply disruptions, with more competitive pricing.
Each batch undergoes rigorous insertion and withdrawal testing to guarantee consistent quality and reliability, fully meeting industrial-grade application standards.IV. Application Scenarios: Covering Full‑Range Networking Requirements
Automotive Applications:
Car navigation, driving recorders, automotive communication terminals; adapts to harsh in‑vehicle environments such as high temperature and vibration.
Industrial Applications:
Industrial gateways, IoT data loggers, smart meters, vehicle‑mounted terminals; meets wide‑temperature and high‑reliability requirements for industrial applications.
Consumer Electronics:
Feature phones, portable communication devices, mobile POS terminals; balances durability and ease of use.
Other Applications:
Smart security devices, shared equipment, outdoor positioning terminals; reliably operates in complex outdoor environments.V. Selection & Service: Full-Support for Project Implementation
Comprehensive Technical Support:
We provide detailed datasheets and support from a professional technical team to assist with component selection, structural verification, and installation debugging, solving all issues encountered during R&D and mass production.
Flexible Customization Services:
We support fine-tuning of details such as locking force and pin configuration based on customer requirements, adapting to special application scenarios and meeting personalized project standards.
Mass Production & Delivery Guarantee:We support both small-batch trial orders and large-volume customized procurement. Stable inventory and prompt delivery are provided to ensure smooth project mass production.

Shenzhen Weilian Electronics Co., Ltd.
Phone: 0755-23251163
Email: cornelia@weconn.net
Address: 2nd Floor, Zhongyixin Industrial Park, No. 48 Jinsha Road,
Kengzi, Jinsha Community, Kengzi Street, Pingshan District, Shenzhen