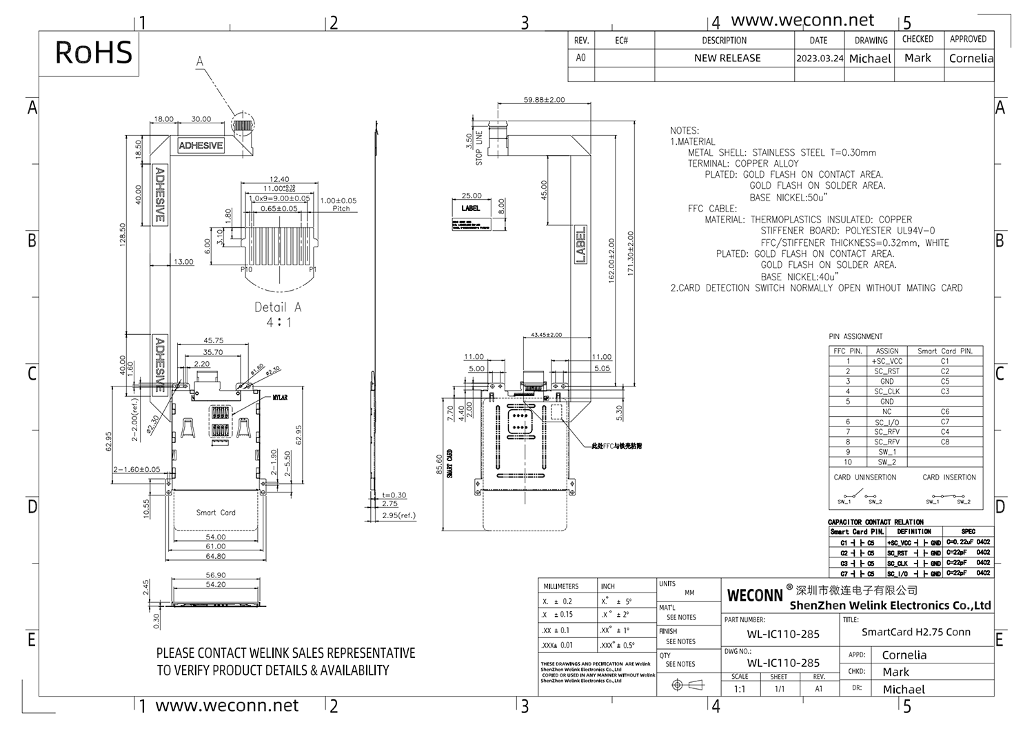
我司推出带线缆智能卡连接器(料号:WL-IC110-285),可兼容戴尔笔记本电脑5511/5501/5500/5411/5410/5400/3541/3540,替代配件型号:G9X28/0G9X28/7TY79/07TY79。
我司为smart card connector生产厂家,可接受定制各类智能卡连接器,如有需求请联系我司业务。


联系人: 陈经理
电话: 13728802600
QQ: 1455613616
邮箱: cornelia@weconn.net
地址: 1.深圳市光明区马田街道马山头社区第五工业区100栋三楼 2.东莞市黄江镇社贝路135号二楼
微信