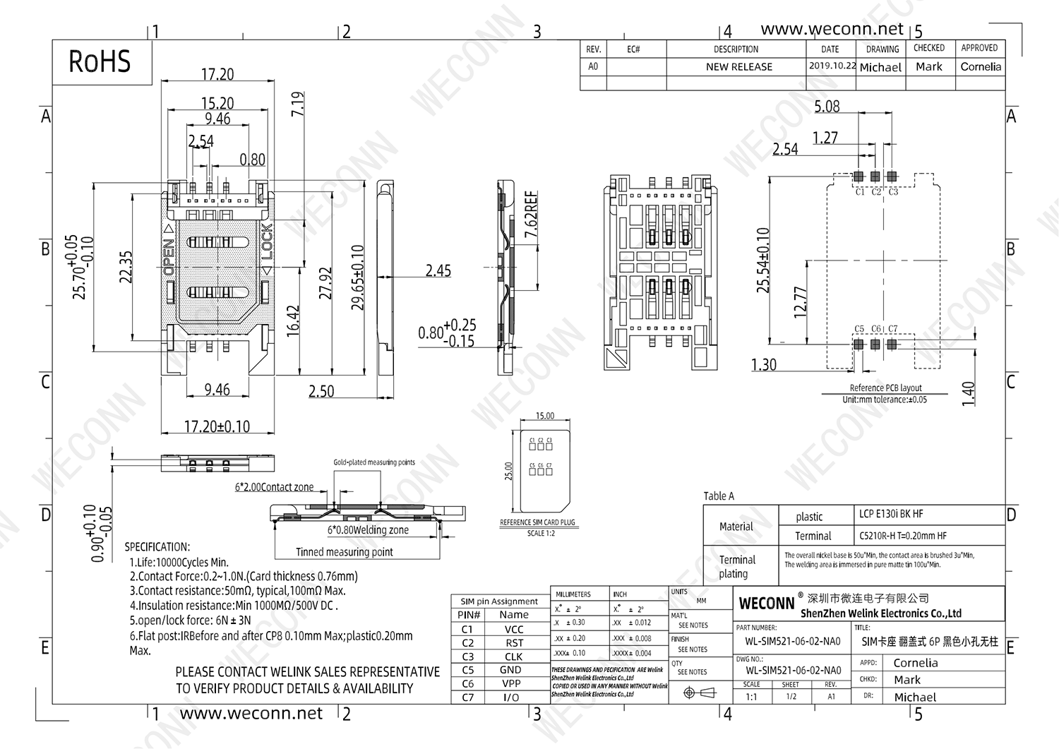
产品名称:SIM 翻盖式 6pin(2.5H) 产品料号:WL-SIM521-06-02-NA0 产品规格:塑胶:黑色耐高温 UL94V-0 端子:磷铜 外壳:LCP
一、技术参数:
1.额定电流:1.0A AC/DC
2.额定电压:50V AC/DC
3.操作温度:-40℃ ~ +85℃
4.储存温度:--40℃ ~ +85℃
5.接触阻抗:100m ohms max.
6.耐电压:500V AC /1分钟
7.绝缘阻抗:1000M ohms min./500VDC
8.耐久次数:1500次
9.产品耐温:260±5℃ 10S
10.平面度:0.10mm MAX.
11.符合RoHS
12.稳定优越的性能
二、产品说明:
1.此连接器广泛应用于手机,平板电脑,导航仪,液晶电视,汽车,航空,智能穿戴设备等;
2.此产品检验流程为:IQC进料检验-->入库-->上线前自检-->IPQC检验-->FQC终检-->OQC出货物检查
3.此产品生产流程为:上线前检验-->切molding料带-->组装外壳-->电性检验-->平面度检验-->正位度检验-->外观检验-->FQC检验-->入库
三、产品规格:


联系人: 陈经理
电话: 13728802600
QQ: 1455613616
邮箱: cornelia@weconn.net
地址: 1.深圳市光明区马田街道马山头社区第五工业区100栋三楼 2.东莞市黄江镇社贝路135号二楼
微信